首页
关于我们
产品中心
工程案例
技术论坛
售后服务
联系我们
首页
关于我们
公司简介
产品中心
工程案例
工程案例
技术论坛
技术论坛
售后服务
售后服务
联系我们
联系我们
PRODUCTS
产品展示
产品中心
当前位置:
首页
> > 产品展示
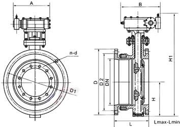
伸缩蝶阀
工作原理:
产品详情
产品参数
伸缩蝶阀/气动伸缩蝶阀/电动伸缩蝶阀
适用于温度≤80℃,公称压力≤1.6MPa的食品、医药、化工、石油、电力、轻纺、造纸等给排水、气体管道上作调节流量和截流介质的作用,具有补偿管道热胀冷缩的功能。
伸缩蝶阀 主要特点
1、设计新颖、合理、结构独特、重量轻、操作方便、启闭迅速;
2、伸缩蝶阀除了能作调节和截流作用、补偿管道温差所产生的热胀冷缩功能外,还能为安装更换、维修阀门提供方便。
3、密封部位可调节更换、密封性能可靠等特点。
返回
向你推荐
美标不锈钢铸造球阀维修
美标Y型过滤器维修 阀门维修
电动球阀维修 阀门维修 球阀维修
BQ41FHY保温球阀维修
高压锻钢球阀维修,硬密封球阀维修
Q347F国标固定法兰球阀 铸钢球阀维修