PRODUCTS

产品展示

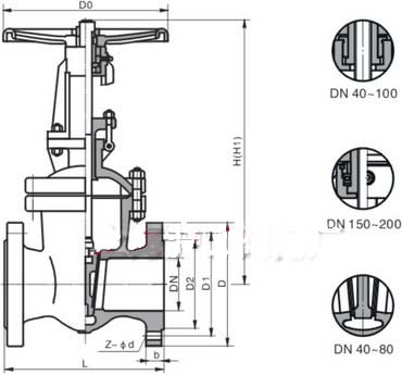
钛合金闸阀
工作原理:


Z40W-16Ti、Z40W-25Ti 型钛合金楔式闸阀:手动、法兰连接、明杆楔式弹性闸板,阀座密封面材料为钛合金,工作压力 1.6-2.5MPa,阀体材料为 ZTA2 钛合金的闸阀。因为钛和氧有很好的亲和力,极易与氧反应而在其表面生成一层坚固而致密的钝性氧化薄膜,对许多腐蚀介质都呈现出特别优异的耐腐蚀性。



返回
二维码