
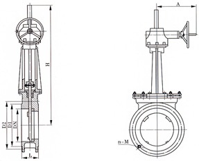
PZ573H伞齿轮对夹式刀型闸阀为伞齿轮驱动,操作轻松灵活,常用于较大口径或较高压力场合人工手动操作。

主要外形及连接尺寸(mm)
MPa | DN | L | D1 | D2 | H | n-M | MPa | DN | L | D1 | D2 | H | n-M |
0.6 | 50 | 43 | 90 | 110 | 475 | 4-M12 | 1.0 | 50 | 43 | 100 | 125 | 475 | 4-M16 |
65 | 46 | 110 | 130 | 500 | 4-M12 | 65 | 46 | 120 | 145 | 500 | 4-M16 |
80 | 46 | 125 | 150 | 535 | 4-M16 | 80 | 46 | 135 | 160 | 535 | 4-M16 |
100 | 52 | 145 | 170 | 605 | 4-M16 | 100 | 52 | 155 | 180 | 605 | 8-M16 |
125 | 56 | 175 | 200 | 665 | 8-M16 | 125 | 56 | 185 | 210 | 665 | 8-M16 |
150 | 56 | 200 | 225 | 765 | 8-M16 | 150 | 56 | 210 | 240 | 765 | 8-M20 |
200 | 60 | 255 | 280 | 880 | 8-M16 | 200 | 60 | 265 | 295 | 880 | 8-M20 |
250 | 68 | 310 | 335 | 1020 | 12-M16 | 250 | 68 | 320 | 350 | 1020 | 12-M20 |
300 | 78 | 362 | 395 | 1220 | 12-M20 | 300 | 78 | 368 | 400 | 1220 | 12-M20 |
350 | 78 | 412 | 445 | 1375 | 12-M20 | 350 | 78 | 428 | 460 | 1375 | 16-M20 |
400 | 102 | 462 | 495 | 1560 | 16-M20 | 400 | 102 | 482 | 515 | 1560 | 16-M22 |
450 | 114 | 518 | 550 | 1720 | 16-M20 | 450 | 114 | 532 | 565 | 1720 | 20-M22 |
500 | 127 | 568 | 600 | 1870 | 16-M20 | 500 | 127 | 585 | 620 | 1870 | 20-M22 |
600 | 154 | 670 | 705 | 2220 | 20-M22 | 600 | 154 | 685 | 725 | 2220 | 20-M27 |
700 | 165 | 775 | 810 | 2570 | 24-M22 | 700 | 165 | 800 | 840 | 2570 | 24-M27 |
800 | 190 | 880 | 920 | 3030 | 24-M27 | 800 | 190 | 898 | 950 | 3030 | 24-M30 |
900 | 203 | 980 | 1020 | 3430 | 24-M27 | 900 | 203 | 1005 | 1050 | 3430 | 28-M30 |
1000 | 216 | 1080 | 1120 | 3470 | 28-M27 | 1000 | 216 | 1110 | 1160 | 3470 | 28-M30 |
1200 | 254 | 1295 | 1340 | 4230 | 32-M30 | 1200 | 254 | 1325 | 1380 | 4230 | 32- |
PZ573H伞齿轮对夹式刀型闸阀为伞齿轮驱动,操作轻松灵活,常用于较大口径或较高压力场合人工手动操作。

主要外形及连接尺寸(mm)
MPa | DN | L | D1 | D2 | H | n-M | MPa | DN | L | D1 | D2 | H | n-M |
0.6 | 50 | 43 | 90 | 110 | 475 | 4-M12 | 1.0 | 50 | 43 | 100 | 125 | 475 | 4-M16 |
65 | 46 | 110 | 130 | 500 | 4-M12 | 65 | 46 | 120 | 145 | 500 | 4-M16 |
80 | 46 | 125 | 150 | 535 | 4-M16 | 80 | 46 | 135 | 160 | 535 | 4-M16 |
100 | 52 | 145 | 170 | 605 | 4-M16 | 100 | 52 | 155 | 180 | 605 | 8-M16 |
125 | 56 | 175 | 200 | 665 | 8-M16 | 125 | 56 | 185 | 210 | 665 | 8-M16 |
150 | 56 | 200 | 225 | 765 | 8-M16 | 150 | 56 | 210 | 240 | 765 | 8-M20 |
200 | 60 | 255 | 280 | 880 | 8-M16 | 200 | 60 | 265 | 295 | 880 | 8-M20 |
250 | 68 | 310 | 335 | 1020 | 12-M16 | 250 | 68 | 320 | 350 | 1020 | 12-M20 |
300 | 78 | 362 | 395 | 1220 | 12-M20 | 300 | 78 | 368 | 400 | 1220 | 12-M20 |
350 | 78 | 412 | 445 | 1375 | 12-M20 | 350 | 78 | 428 | 460 | 1375 | 16-M20 |
400 | 102 | 462 | 495 | 1560 | 16-M20 | 400 | 102 | 482 | 515 | 1560 | 16-M22 |
450 | 114 | 518 | 550 | 1720 | 16-M20 | 450 | 114 | 532 | 565 | 1720 | 20-M22 |
500 | 127 | 568 | 600 | 1870 | 16-M20 | 500 | 127 | 585 | 620 | 1870 | 20-M22 |
600 | 154 | 670 | 705 | 2220 | 20-M22 | 600 | 154 | 685 | 725 | 2220 | 20-M27 |
700 | 165 | 775 | 810 | 2570 | 24-M22 | 700 | 165 | 800 | 840 | 2570 | 24-M27 |
800 | 190 | 880 | 920 | 3030 | 24-M27 | 800 | 190 | 898 | 950 | 3030 | 24-M30 |
900 | 203 | 980 | 1020 | 3430 | 24-M27 | 900 | 203 | 1005 | 1050 | 3430 | 28-M30 |
1000 | 216 | 1080 | 1120 | 3470 | 28-M27 | 1000 | 216 | 1110 | 1160 | 3470 | 28-M30 |
1200 | 254 | 1295 | 1340 | 4230 | 32-M30 | 1200 | 254 | 1325 | 1380 | 4230 | 32- |